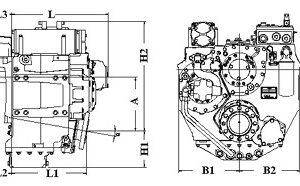
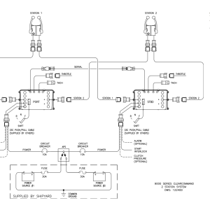
Descripción
Permiten un control confiable y reactivo del motor y la transmisión. La instalación sencilla y una amplia gama de palancas de control garantizan un uso fácil para el capitán. Ambos están certificados según las sociedades de clasificación ABS y DNV. También cumplen con los estándares ABYC para pruebas de rendimiento y pruebas funcionales.








