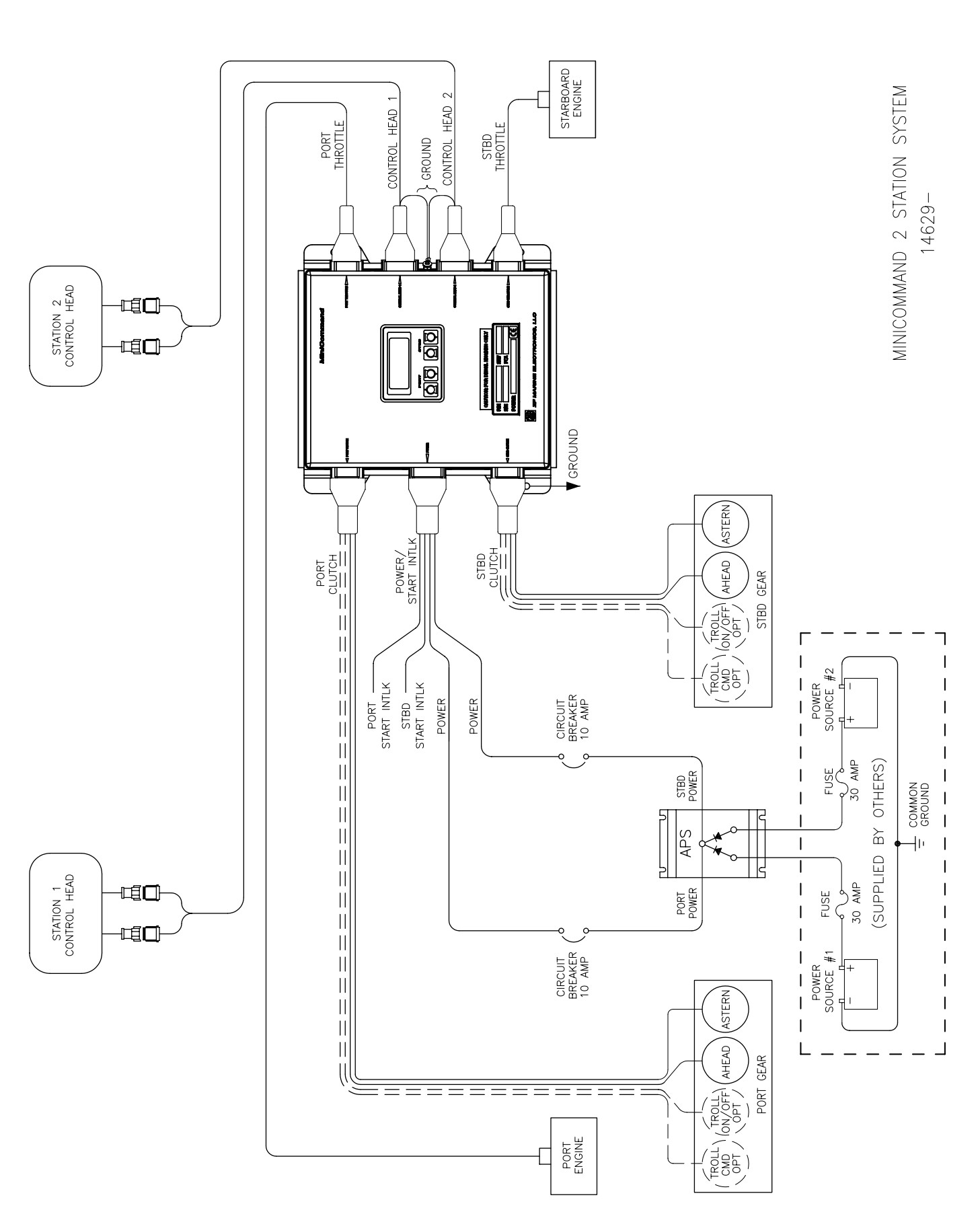
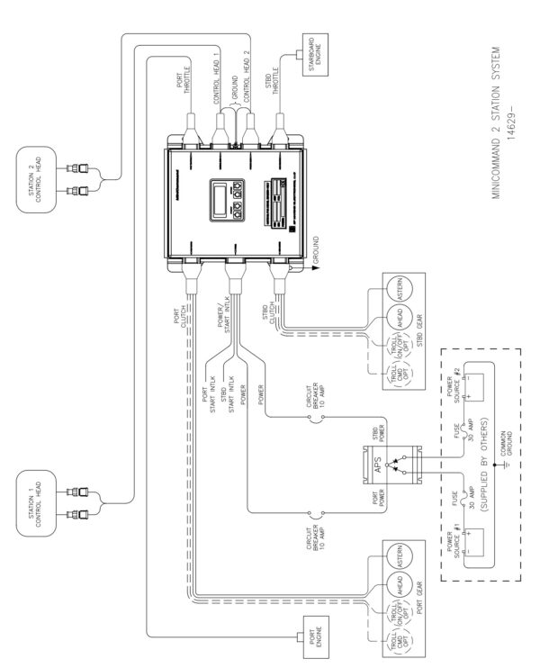
Descripción
El mini Command electrónico ZF Marítimo es un sistema utilizado en embarcaciones marítimas para controlar y operar distintas funciones, como el encendido y apagado del motor, la dirección, la velocidad, entre otros.Este sistema está diseñado para ser compacto y de fácil instalación, y cuenta con una pantalla de control que permite al operador tener una visión clara de todas las funciones y ajustes. Además, el mini control de comando electrónico ZF Marítimo puede ser programado y personalizado según las necesidades de la embarcación y el usuario.
Este tipo de control electrónico se utiliza en embarcaciones de diferentes tamaños, desde pequeñas lanchas hasta grandes yates, y ofrece un control preciso y fácil de usar para una navegación segura y eficiente.
Ventajas
- Mayor precisión
- Fácil instalación
- Menor mantenimiento
- Mayor durabilidad
- Funcionamiento intuitivo
- Mayor seguridad









